|
|
|
 |
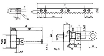
Rechteck - Profil für Schwere Lasten |
 |
|
|
| Allgemeine Technische Daten |
|
 |
| Fr(KN) |
Größe |
Querschnitt |
Modul P |
Rollen-Ø |
Ritzel-Ø |
|
| 8 |
40 |
30 x 30 |
3,1831 x 10 |
Ø40 |
Ø70,03 |
Details |
| 13 |
52 |
40 x 40 |
3,9789 x 12,5 |
Ø52 |
Ø66,05 |
Details |
| 21 |
62 |
40 x 40 |
3,9789 x 12,5 |
Ø62 |
Ø87,54 |
Details |
| 27 |
72 |
40 x 40 |
3,9789 x 12,5 |
Ø72 |
Ø87,54 |
Details |
| 45 |
90 |
50 x 50 |
5,0930 x 16 |
Ø90 |
Ø112,05 |
Details |
| 55 |
110 |
60 x 60 |
6,366 x 20 |
Ø110 |
Ø140,06 |
Details |
|
|
|
|
| Technische Auslegung |
|
|
|
Nach erfolgter Wahl der Baugrösse muss die Verzahnung der Führungssysteme auf die geforderten Antriebskräfte
und Momente überprüft werden. Die Verzahnungen sind in weicher sowie gehärteter und geschliffener Ausführung lieferbar.
Die Verzahnungen sind in weicher sowie gehärteter und geschliffener Ausführung lieferbar. Die angegebenen Werte
haben Gültigkeit bei guter Schmierung, stoßfreiem Betrieb und stabiler Lagerung.
|
|
|
|
|
| Wartung und Montage |
|
|
Eine ausreichende Schmierung ist ebenso wichtig
wie die korrekte Wahl der Baugröße und der Montage des Führungssystems.
Eine ausreichende und im Vorfeld der Konstruktion geplante Schmierung
reduziert Reibung und Abnützung und vermindert
Passungsrost.
Tribokorrosion ist immer ein
Anzeichen für nicht ausreichende Schmierung. Bei den Führungssystemen ist bezüglich Schmierung folgendes
zu unterscheiden.......
|
|
|
|
|
|
|
|
|
|
|